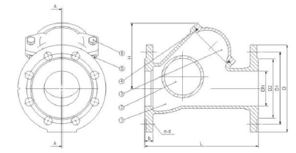
Ballzweigventil DN50 PN6 mit Kragen
Produktinformationen "Ballzweigventil DN50 PN6 mit Kragen"
Ballprüfventile sind Geräte, die Druckpipelines vor unerwünschtem Feedback schützen. Die am häufigsten an den Entladungen in den Pumpstationen des Hausabwassers und in den Wasserpumpen verwendeten Stationen Niederschlagsmenge. Die Konstruktion und die Materialleistung ermöglichen eine breite Verwendung bei Installationen innerhalb der Pumpstationst
Produktmerkmale
- Produkte erfüllen die Anforderungen der Standards:
- EN1092-2 PN16 und AS4087, AS4087 (AS2129 Tabelle E)
- ISO 228-1 in Bezug auf BSP-Threads
- Kategorie A Standard ISO5208
- EN558-1 Serie 48 (DIN3202 F6)
Technische Daten
- Umfang der Gewindeventile: Von DN25 (1 ") bis DN65 (2-1/2 ")
- Der Bereich der Kragenventildurchmesser: von DN50 bis DN100
- Maximaler Arbeitsdruck: 16 bar
Dokumentation
Link zur Produktseite beim Hersteller | Link zur Pumpenkurve beim Hersteller


